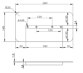
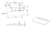
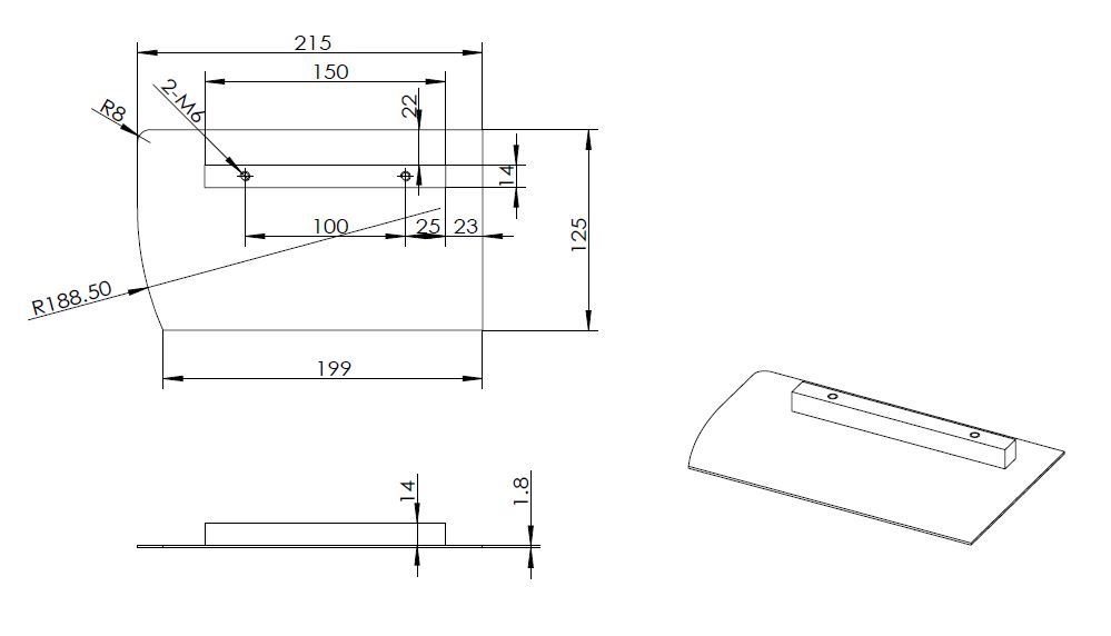
Лопасти и диски для заглаживающих машин
по запросу
по запросу
по запросу
по запросу
по запросу
по запросу






















